Aktuelle Region:
Germany (DE)
Choose a different country or region to see the content specific to your location
Kontaktieren Sie uns, um Ihre Anforderungen zu besprechen
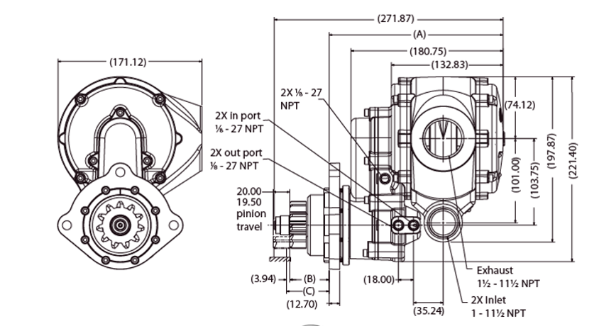
Mehrere Montageausrichtungen mit zwei Einlässen ermöglicht eine einfache Installation an praktisch jedem Ort
ELEKTROWERKZEUGE
Seit mehr als 100 Jahren verlassen sich Branchenprofis auf die Qualität und Leistung von Ingersoll Rand für anspruchsvollste Aufgaben. Unsere moderne Entwicklung und Fertigung erfüllen Qualitätsstandards, die oft kopiert, aber nie erreicht werden. Bei Montagewerkzeugen, Industriewerkzeugen, Akku-Werkzeugen und Werkzeug zur Fahrzeugwartung setzen wir Maßstäbe. Verlassen Sie sich auf Originalwerkzeug, -zubehör und -anlagen von Ingersoll Rand.