Current Region:
United Kingdom (EN)
Choose a different country or region to see the content specific to your location
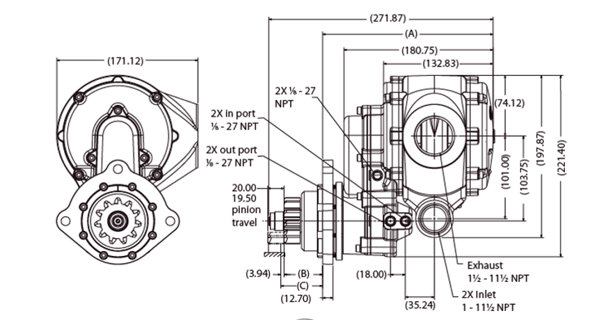
Multiple Mounting Orientations with dual inlets allows for easy installation in virtually any location
INGERSOLL RAND POWER TOOLS
For more than 100 years, professionals have relied on Ingersoll Rand for quality and performance on the toughest jobs. Our advanced engineering and manufacturing have a standard of excellence often copied, but never matched. When it comes to assembly tools, industrial tools, cordless tools and vehicle service tools, don't settle for less. Count on genuine Ingersoll Rand tools, accessories and equipment.
Industry Solutions
Aerospace Heavy Equipment Energy Oil & Gas Motor Vehicle Industry