Región actual:
Spain (ES)
Choose a different country or region to see the content specific to your location
Póngase en Contacto para Discutir sus Necesidades
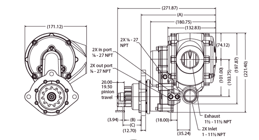
Orientaciones de montaje múltiples con entradas dobles que permiten una instalación sencilla en prácticamente cualquier ubicación.
HERRAMIENTAS MOTORIZADAS
Durante más de 100 años, los profesionales han confiado en Ingersoll Rand para asegurar la calidad y el rendimiento en los trabajos más duros. Nuestro nivel avanzado de ingeniería y de fabricación ha establecido un estándar de excelencia a menudo copiado, pero nunca igualado. Cuando necesite herramientas de montaje, herramientas industriales, herramientas inalámbricas o herramientas para el mantenimiento de vehículos, no se conforme con menos. Confíe en las herramientas, accesorios y equipos originales de Ingersoll Rand.
Aeroespacial Equipamiento Pesado Energía Gas y Petróleo Industria de Automotriz